Novos Produtos
VÁLVULA PROPORCIONAL PARA PÁ CARREGADEIRA DIANTEIRA DE TRATOR - LOAD SENSING LVM92 EHP
| Informações técnicas | |
|
Fornecedor: |
Turquia |
|
Devolução ou troca: |
14 dias |
|
Garantia: |
6 meses |
|
Tipo: |
SENSOR DE CARGA |
|
Pressão de trabalho: |
250 bar |
|
Vazão nominal: |
90 lit/min |
|
Rosca de conexão: |
1/2" |
|
Número de seções: |
2 |
Descrição
LVM92-EHP é uma válvula monobloco projetada para carregadores frontais, oferecendo excelentes características proporcionais de operação e fácil instalação, com vazões de até 90 l/min e pressões de trabalho de até 250 bar.
A válvula fornece controle totalmente eletro-proporcional, incluindo a função flutuar, independentemente da carga da máquina e das condições de operação.
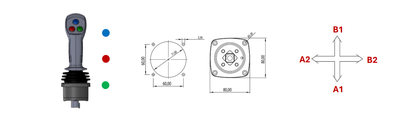
O kit inclui a válvula, um joystick de controle proporcional e a fiação elétrica.
A função Load Sensing proporciona um controle proporcional ainda mais preciso e melhora a eficiência do sistema.
Aplicação

Para o funcionamento adequado do sistema, siga cuidadosamente todos os passos abaixo:
- Faça a conexão conforme mostrado acima.
- Certifique-se de que o acumulador hidráulico está corretamente conectado.
- Verifique se a pressão de entrada não excede 250 bar.
- Assegure que a vazão nominal de entrada seja de 90 l/min.
- Verifique se as conexões nas portas B1, A1, A2 e B2 estão corretamente conectadas.
- Certifique-se de que a linha de drenagem ou vazamento está corretamente conectada.
- Verifique se as linhas T (tanque) e P (pressão) estão conectadas e operando corretamente.



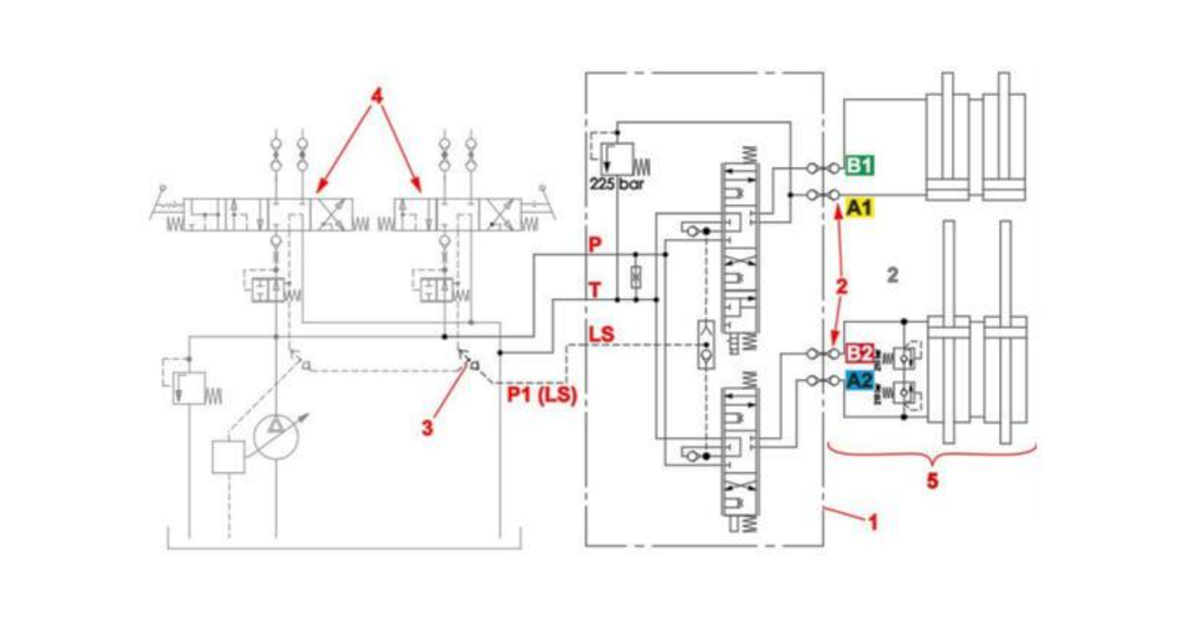
O diagrama mostra um sistema hidráulico LOAD SENSING:
1. Válvula proporcional (LVM92 EHP) do lado direito da interface do acessório.
2. Interface para o carregador frontal do trator.
3. Válvula shuttle adicional para Load Sensing.
4. Válvulas hidráulicas já instaladas no trator podem ser usadas para outros consumidores.
5. Carregador frontal do trator.
Três linhas hidráulicas (P, T, P1) conectam a válvula proporcional LOAD SENSING ao sistema hidráulico do trator:
- P – linha de pressão
- T – linha de retorno (tanque)
- P1 – Load Sensing (LS)

Conecte a válvula conforme mostrado acima:
- Certifique-se de que a tensão do sistema seja de 12 V.
- Verifique se o cabo de alimentação está conectado corretamente.
- O sistema deve incluir um cabo em malha e um resistor de 120 ohms.
- Após conectar o joystick, verifique se os LEDs do ACAS acendem em verde.
- Verifique se todos os cabos estão firmemente e corretamente conectados.

- Botão AZUL: válvula de controle direcional 6/2 (botão momentâneo)
- Botão VERMELHO: função flutuar (botão de trava)
- Botão VERDE: lento/rápido (botão de trava)
Função flutuar: Mova o joystick na direção B1 (descida). Enquanto o joystick estiver na posição B1, pressione o botão FLUTUAR para ativar o modo flutuar. Aviso: Não realize esta operação com o carregador frontal do trator muito elevado.





