Novi proizvodi
POLUOSOVINA S KOČNICAMA - 2700 kg (6 VIJAKA) - 250 mm
Šifra:
14654
OEM:
9990000175673
Stopa poreza
22 %
Cijena bez PDV:
135,25 EUR
Cijena sa PDV:
165,00 EUR
Ref:
16
| Tehničke informacije | |
| Dobavljač: |
Turkye |
| Povrat ili zamjena: |
14 dana |
| Jamstvo: |
6 mjeseci |
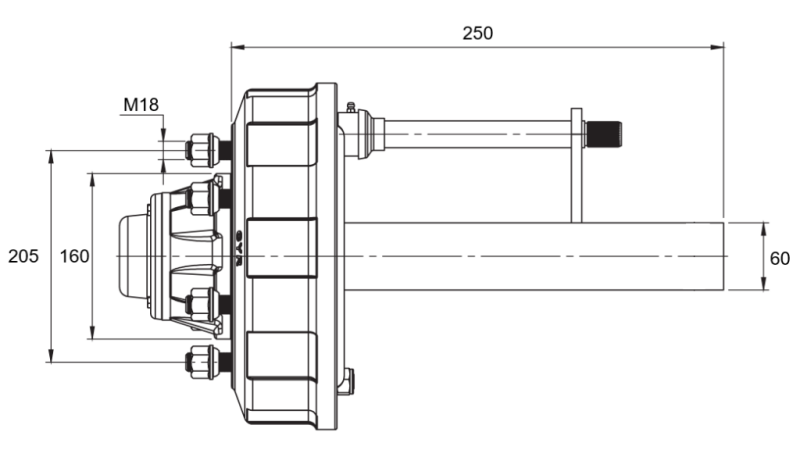
| Dužina: |
250 mm |
| Nosivost: |
do 2700 kg |
| Promjer osovine: |
60 mm (kvadratna) |
| Broj vijaka: |
6 |
Opis
Poluosovina je namijenjena za korištenje na različitim tipovima prikolica s kočionim sustavom. Duljina poluosovine je 250 mm, s nosivošću do 2700 kg.
Zahvaljujući svojoj robusnoj izradi i pouzdanom dizajnu, prikladna je za korištenje na teretnim i radnim prikolicama, industrijskim šasijama, transportnim okvirima i drugim tehničkim rješenjima gdje je potrebna stabilna i trajna potpora kotača.
Poluosovina omogućava korištenje standardnih felgi sa šest vijaka i omogućuje jednostavnu ugradnju.



%20-%20250%20mm.jpg)


