Novi proizvodi
ERC03 REDUKTOR ZA ELEKTROMOTOR MS90 (1,1-1,5kW) OMJER 24:1
Opis:
ERC mjenjači koriste se u kombinaciji s električnim motorima. ERC mjenjači su dizajnirani na temelju modularnog sustava. Možemo povezati različite tipove motora (klasični, frekvencijski, kočioni ...). Koriste se u aplikacijama kao što su građevinarstvo, prehrambena industrija (mlinovi za meso...), pogonski remeni (valjci itd.) i još mnogo toga.
Mjenjač smanjuje okretaje električnog motora na vrijednost s kojom želimo raditi. Mjenjači imaju omjer 25:1.
Prilikom instalacije mjenjača, uvijek osigurajte da:
- podaci na oznaci odgovaraju podacima naručenog artikla
- kućište i osovine su čisti i neozlijeđeni
- površina na koju je mjenjač pričvršćen je ravna i dovoljno čvrsta
- mjenjač i osovina električnog motora dobro se uklapaju
- ako postoji mogućnost vibracija ili zapinjanja, mora se instalirati ograničivač momenta
- rotirajući dijelovi su pokriveni plastičnim poklopcima
- uređaj koji se koristi na otvorenom mora biti adekvatno zaštićen od vremenskih uvjeta
- radni uvjeti ne uzrokuju koroziju (osim ako nije prethodno dogovoreno i mjenjač i električni motor su pravilno pripremljeni)
- zupčanici, zupčanici osovina, ulazne/izlazne osovine su pravilno osigurani kako ne bi postali radijalna ili aksijalna opterećenja koja premašuju maksimalnu dopuštenu granicu
- svi spojevi su premazani antikorozivnim materijalom kako bi se spriječila oksidacija pri kontaktu
- svi vijci za pričvršćivanje moraju biti čvrsto zategnuti
- ne zatežite noge kućišta i montažne flanše jedne protiv drugih i osigurajte da poštujete dopušteno radijalno i aksijalno opterećenje.
- Prije pokretanja, provjerite razinu ulja preporučenu za montirani položaj. Vijak za kontrolu i ispuštanje ulja i ventil za ispuštanje su lako dostupni.
- Nikada ne udarajte remenice, spojnice, zupčanike itd. na kraju osovine čekićem. To će oštetiti ležaj, kućište i osovinu
Sve kalkulacije temelje se na električnim motorima s 1400 okretaja. Ako koristite električni motor s drugačijom brzinom od 1400 okretaja u minuti, podijelite ulazne okretaje s omjerom mjenjača kako biste dobili izlazne okretaje.
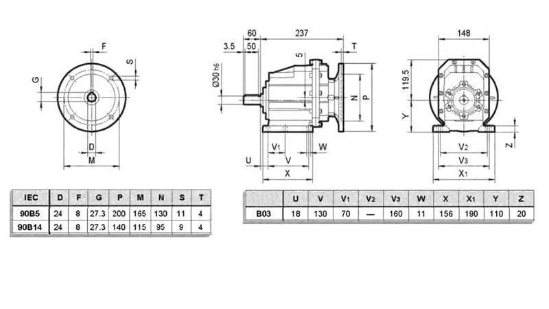
Više tehničkih podataka može se pronaći u prilogu 'DIMENZIJE - TEHNIČKI LIST'.


%20RAZMERJE%2025proti1.jpg)
%20RAZMERJE%2025proti1.jpg)
%20RAZMERJE%2025proti1.jpg)
%20RAZMERJE%2025proti1.jpg)


