Nya produkter
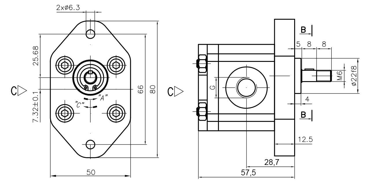
HYDRAULPUMP 00C0.5X032 GR.0 - 0,5cc - HÖGER
Produktkod:
14748
OEM:
9990000178773
Skattesats
22 %
Pris utan moms:
668,64 SEK
Pris med moms:
815,74 SEK
Ref:
5
| Teknisk information | |
| Leverantör: | Turkiet |
| Returnering eller byte: | Ej möjligt |
| Garanti: | 6 månader |
| Modell: | 00C0.5X032 |
| Rotationsriktning: | Höger (C) |
| Slagvolym: | 0,5 cm³/varv |
| Storlek: | GR.0 |
| Hastighet: | max. 3500 rpm |
| Port/anslutninggänga: | 1/4" (inlopp och utlopp) |
| Nominaltryck: | 200 bar |
| Flöde: | 0,7 l/min vid 1500 rpm och 1,6 l/min vid max. rpm |
Beskrivning
Hydrauliska pumpar är en nyckelkomponent i varje hydraulsystem eftersom de omvandlar mekanisk energi till hydraulisk energi. De används i många applikationer såsom jordbruksmaskiner, byggutrustning, industriella anordningar och transportsystem.
I vårt sortiment hittar du högkvalitativa kugghydraulpumpar i olika storlekar (GR), slagvolymer och konfigurationer, vilket säkerställer pålitlig drift, lång livslängd och enkel installation. De ger stabil oljeflöde, hög effektivitet och minimala förluster, vilket bidrar till optimal prestanda för hela systemet.
Mått










