Produse Noi
MULTIPLICATOR GR.3 - 1:3 - CUPLĂ MASCUL (INTRARE) / CUPLĂ MASCUL (IEȘIRE)
| Informații tehnice | |
| Furnizor: | China |
| Returnare sau schimb: | 14 zile |
| Garanție: | 6 luni |
| Raport de transmisie: | 1:3 |
| Pentru pompe hidraulice: | GR. 3 |
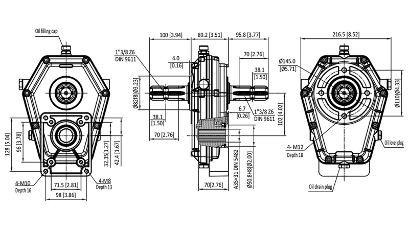
| Conexiune: | Axa PTO pe ambele părți - 1" 3/8 – 6 splini (bărbătesc) |
| Viteză de intrare: | 540 rpm |
| Cuplu de intrare: | 49 daNm |
| Viteză de ieșire: | 1620 rpm (max. 3000 rpm) |
| Cuplu de ieșire: | 16 daNm |
| Sarcină: | până la 20 kW |
| Greutatea produsului: | 8,3 kg |
| Lubrifiant pentru angrenaje: | Ulei SAE 90 |
DIMENSIUNI

INSTRUCȚIUNI DE UTILIZARE
1. Utilizare destinată
Cutia de viteze este o transmisie mecanică care mărește viteza de rotație a arborelui de ieșire și permite funcționarea unei pompe hidraulice cu angrenaje prin arborele PTO al tractorului.
Este utilizată pentru antrenarea:
- grupurilor hidraulice de putere,
- troliilor forestiere,
- despicatorilor de lemne,
- altor echipamente hidraulice.
2. Poziția de instalare
Cutia de viteze trebuie instalată în poziția corectă de funcționare pentru a asigura lubrifierea corespunzătoare a angrenajelor. Se recomandă o instalare orizontală, astfel încât pompa și cutia de viteze să fie aliniate orizontal.
Important:
- cutia de viteze trebuie întotdeauna instalată astfel încât uleiul din interiorul carcasei să fie în contact cu transmisia angrenajelor,
- funcționarea prelungită în poziție inversă nu este permisă,
- cutia de viteze trebuie susținută mecanic (nu trebuie să atârne doar de arborele PTO).
3. Direcția de rotație
Înainte de instalare, verificați direcția de rotație a arborelui PTO și direcția de rotație necesară a pompei hidraulice.
Direcția incorectă de rotație poate cauza deteriorarea pompei, defectarea garniturilor și un flux slab de ulei.
4. Lubrifierea cu ulei
Cutia de viteze trebuie lubrifiată continuu cu ulei în interiorul carcasei pentru a asigura funcționarea corectă a angrenajelor. Lubrifiantul recomandat este uleiul pentru angrenaje SAE 90.
Cutia de viteze trebuie umplută cu ulei până la nivelul de control.
Înainte de prima utilizare, scoateți dopul de umplere, umpleți unitatea cu ulei până la semnul de nivel și închideți dopul.
Înainte de fiecare utilizare, verificați nivelul uleiului. Prima schimbare a uleiului este recomandată după 50 de ore de funcționare, apoi la fiecare 1500 ore de funcționare sau o dată pe an.
5. Temperatura de funcționare
Temperatura normală de funcționare a carcasei cutiei de viteze este între 50 și 80°C. Dacă depășește 90°C, verificați nivelul uleiului, sarcina și alinierea.
6. Întreținere și probleme posibile
| Problemă | Cauză posibilă | Soluție |
| Supraîncălzire | Nivel insuficient de ulei | Verificați nivelul uleiului |
| Zgomot | Rulmenți uzați | Service |
| Vibrații | Aliniere incorectă | Verificați instalarea |
| Scurgere de ulei | Garnitură afectată | Înlocuiți garnitura |









