Nieuwe artikelen
PROPORTIONEEL REGELVENTIEL VOOR TRACTOR VOORLADER - OPEN CENTER LVM92 EHP
| Technische informatie | |
|
Leverancier: |
Turkije |
|
Retour of ruil: |
14 dagen |
|
Garantie: |
6 maanden |
|
Type: |
OPEN CENTER |
|
Werkdruk: |
250 bar |
|
Nominale doorstroming: |
90 l/min |
|
Aansluitdraad: |
1/2" |
|
Aantal secties: |
2 |
Beschrijving
De LVM92-EHP is een monoblokklep ontworpen voor tractorvoorladers, met uitstekende proportionele bedieningskenmerken en eenvoudige installatie. Hij heeft doorstromingen tot 90 l/min en werkdrukken tot 250 bar.
De klep biedt volledig elektro-proportionele regeling, inclusief de drijfstandfunctie, ongeacht de belasting en bedrijfsomstandigheden.
De set bevat de klep, een proportionele besturingsjoystick en elektrische bedrading.
Toepassing

Voor een correcte werking van het systeem volgt u zorgvuldig alle onderstaande stappen:
- Maak de aansluiting zoals hierboven aangegeven.
- Zorg ervoor dat de hydraulische accumulator correct is aangesloten.
- Controleer of de inlaatdruk niet hoger is dan 250 bar.
- Zorg dat de nominale doorstroming 90 l/min bedraagt.
- Controleer of de aansluitingen op poorten B1, A1, A2 en B2 correct zijn aangesloten.
- Zorg ervoor dat de afvoerlijn (leklijn) correct is aangesloten.
- Controleer of de T (tank) en P (druk) lijnen zijn aangesloten en goed functioneren.

- Als u twee kleppen in de hydraulische lijn heeft, sluit dan de doorvoeruitgang van de eerste klep aan op de drukaansluiting van de tweede klep.
- Als er slechts één klep wordt gebruikt, sluit dan de doorvoeruitgang van de klep direct aan op de tank.


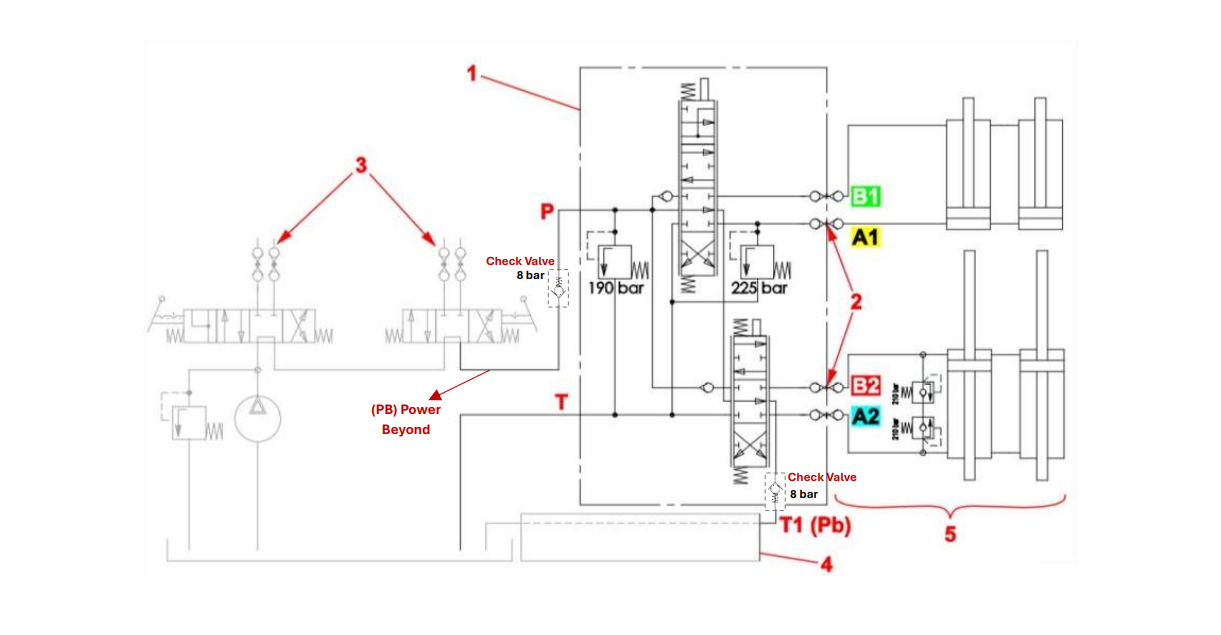
De afbeelding toont een OPEN CENTER hydraulisch systeem:
1. Proportionele klep (LVM92 EHP) aan de rechterkant van de bevestigingsinterface.
2. Interface voor de tractorvoorlader.
3. Hydraulische kleppen die reeds op de tractor zijn geïnstalleerd kunnen worden gebruikt voor andere verbruikers.
4. Andere kleppen of hulpventielen.
5. Tractorvoorlader.
Drie hydraulische lijnen (P, T1, T) verbinden de OPEN CENTER proportionele klep met het hydraulische systeem van de tractor:
- P – drukleiding
- T – retourleiding (tank)
- T1 – drukdoorgave (Power Beyond – “PB”) + 8 bar veerbelaste terugslagklep

Sluit de klep aan zoals hierboven getoond:
- Zorg dat de systeemspanning 12 V is.
- Controleer of de voedingskabel correct is aangesloten.
- Het systeem moet een kettingkabel en een 120-ohm weerstand bevatten.
- Na het aansluiten van de joystick, controleer dat de ACAS LED’s groen oplichten.
- Controleer of alle kabels stevig en correct zijn aangesloten.

- BLAUWE knop: 6/2 richtingklep (drukknop)
- RODE knop: drijfstandfunctie (vergrendelbare knop)
- GROENE knop: langzaam/snel (vergrendelbare knop)
Drijfstandfunctie: Beweeg de joystick in de B1 (laden) richting. Terwijl de joystick in de B1-positie staat, druk op de drijfstand (FLOAT) knop om de drijfstandmodus te activeren. Waarschuwing: Voer deze handeling niet uit wanneer de lader te hoog is opgeheven.









