Új termékek
PRIORITET SZELEP MÉRÉSSKÉRLÉVEL ÉS BISZTONSÁGI SZELEPEL 1/2" - 0-60lit, 0-200bar
Kód:
13098
OEM:
9990000087501
Adó mértéke
22 %
Ár áfa nélkül:
39.344,26 HUF
Ár áfával:
47.999,99 HUF
Ref:
8
Leírás:
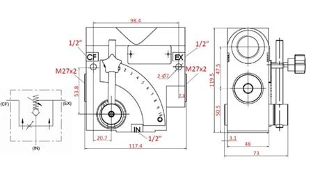
A mérőskálával és biztonsági szeleppel ellátott prioritás szelep a folyadékáram szabályozására szolgál nyomáskompenzációval, ahol az áramlás a kar helyzetétől függően változik. A szelep sík felületre van szerelve.
CF csatlakozás (Szabályozott áramlás) - A CF csatlakozásból érkező áramlás nyomás által kompenzált, és arányos a kar helyzetével. A CF-ből érkező áramlás igény szerint állítható.
EX csatlakozás (Többlet áramlás) - Az EX csatlakozásból érkező áramlás kompenzálva van. Ha a kart 0-ra állítják, az összes áramlás az EX csatlakozáson keresztül távozik. Az EX csatlakozást a tartályhoz kell vezetni.
Szállító:
Spanyolország
Visszatérés vagy csere:
14 nap
Termék súlya:
3.80 kg
Garancia:
6 hónap
max. állítható nyomás:
0-200 bar
max. állítható áramlás:
0 - 60 l/min
kimenő tengely:
60 l/min
Kimeneti nyomaték:
200 bar








