Nowe produkty
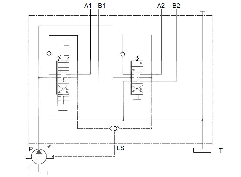
ZAWÓR KONTROLNY HYDRAULICZNY DLM-122/2 2XP80 L/MIN Z FUNKCJĄ UNOSZENIA
Kod produktu:
14118
OEM:
9990000156863
Stawka podatkowa
22 %
Cena bez VAT:
1.517,39 PLN
Cena z VAT:
1.851,21 PLN
Ref:
11
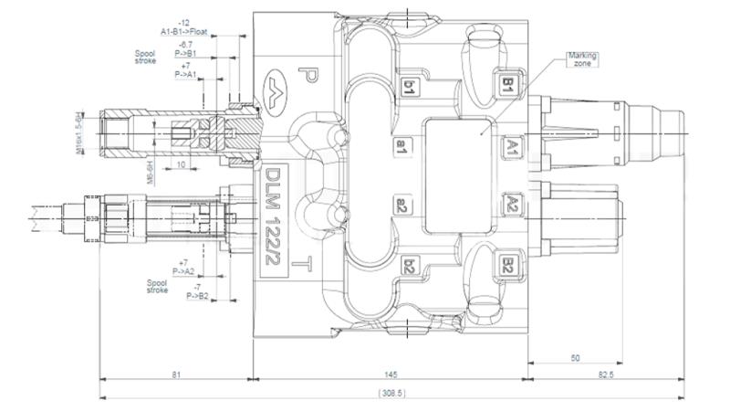
POŁĄCZENIA:
Połączenie zasilania: | 3/4'' |
Połączenie powrotne: | 3/4'' |
Połączenia sekcyjne: | 1/2'' |
Połączenie LS: | 1/4'' |
Gwint wewnętrzny rury: | M16x1.5 |
Gwint wewnętrzny końcówki suwaka: | M6x1.5 |
OLEJ:
Dopuszczalna temperatura otoczenia: | od -40°C do 60°C |
Dopuszczalna temperatura oleju: | od -15°C do 80°C |
Zalecany olej: | Olej hydrauliczny na bazie oleju mineralnego (HL 32 lub HL 46) |
Opis:
ZAWÓR KONTROLNY HYDRAULICZNY DLM-122/2 2xP80 L/min Z FUNKCJĄ UNOSZENIA
Zawór kontrolny hydrauliczny z funkcją wykrywania obciążenia jest używany do sterowania ładowaczem czołowym. Posiada dwie sekcje, które umożliwiają kontrolę dwukierunkowych siłowników hydraulicznych. Zawór kontrolny jest podłączony do joysticka - funkcji wykrywania obciążenia.





Dostawca:
Hiszpania
Ciśnienie zasilania:
250 bar
maks. ciśnienie robocze:
300 bar
Zakres temperatur:
Od -40°C do 60°C
Zwrot lub wymiana:
14 dni
Waga produktu:
12,50 kg
przepływ nominalny:
80 l/min
Gwarancja:
6 miesięcy
Ciśnienie powrotne:
max. 10 bar
temperatura robocza oleju:
Od -15°C do 80°C
fabrycznie ustawiony zawór bezpieczeństwa:
180 bar








