Nowe produkty
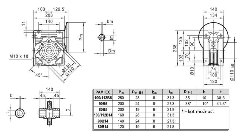
PMRV-90 PRZEKŁADNIA DO SILNIKA ELEKTRYCZNEGO MS90 (1.1-1.5KW) PRZEWÓD 40:1
Dodatkowy opis:
| silnik elektryczny | przekładnia | moment obrotowy M2 [Nm] | współczynnik bezpieczeństwa - SF |
|---|---|---|---|
| 1.1kW (MS90) | RV-90 | 222 | 1.6 |
| 1.5kW(MS90) | 303 | 1.2 |
Opis:
Przekładnie PMRV są używane w połączeniu z silnikami elektrycznymi.
Przekładnia redukuje obroty silnika elektrycznego do wartości, z którą chcemy pracować. Przekładnie mają różne przełożenia 7.5:1 - 10:1 - 20:1 - 40:1.
Podczas instalacji przekładni zawsze upewnij się, że:
- dane na tabliczce znamionowej odpowiadają danym zamówionego przedmiotu
- obudowa i wały są czyste i nieuszkodzone
- powierzchnia, do której przymocowana jest przekładnia, jest płaska i wystarczająco mocna
- przekładnia i wał silnika elektrycznego dobrze pasują
- jeśli istnieje możliwość wibracji lub zacięcia, należy zainstalować ogranicznik momentu
- obracające się części są pokryte plastikowymi osłonami
- urządzenie używane na zewnątrz musi być odpowiednio chronione przed warunkami atmosferycznymi
- warunki pracy nie powodują korozji (chyba że wcześniej uzgodniono i przekładnia oraz silnik elektryczny są odpowiednio przygotowane)
- zęby, zębatki wałów, wały wejściowe/wyjściowe są odpowiednio zabezpieczone, aby uniknąć obciążeń promieniowych lub osiowych, które nie przekraczają maksymalnego dopuszczalnego limitu
- wszystkie sprzęgła są pokryte materiałem antykorozyjnym, aby zapobiec utlenieniu w kontakcie
- wszystkie śruby mocujące muszą być mocno dokręcone
Wszystkie obliczenia opierają się na silnikach elektrycznych o 1400 obrotach. Jeśli używasz silnika elektrycznego o innej prędkości niż 1400 obrotów na minutę, podziel obroty wejściowe przez przełożenie przekładni, aby uzyskać obroty wyjściowe.
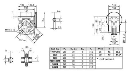
Więcej danych technicznych można znaleźć w załączniku 'WYMIARY - KARTA DANYCH'.







