Nye artikler
VINKELGIRKASSE PTO-R11S 1:2 (48HK-35KW)
Kode:
11136
OEM:
9990000010530
Skattesats
22 %
Pris uten MVA:
5.058,50 NOK
Pris med MVA:
6.171,38 NOK
Ref:
3
Retur eller bytte:
14 dager
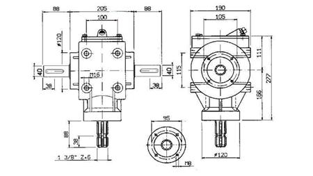
rotasjon av reduktor:
venstre/høyre (avhengig av reduserens installasjon)
Belastning:
48 HP (35 kW)
utgang aksel:
aksel 40 mm
type reduktor:
PTO (vinkeloverføring)
smøremiddel:
olje SAE 90 0,8 liter må tilsettes reduseren.
inngang aksel:
kardan (1”3/8 – 6 tenner)


.jpg)
.jpg)
.jpg)
.jpg)
.jpg)

