Neue Artikel
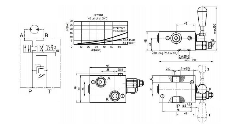
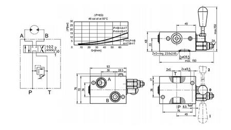
MANUELLES VENTIL FÜR ÖLMOTOR MP-MR-MH CLOSE CENTER - 50 LIT
Beschreibung:
Das Ventil montiert man direkt ans Öl Motor und dient für die Steuerung direkt an Öl Motor.
Ventil Handhebel ermöglicht Einschaltung und Ausschaltung, so wie auch das Wechseln von der Drehrichtung von Öl Motor.
Ventil "OPEN CENTER" – In neutraler Position ist der Öl Motor nicht gehemmt. Eigentlich ist der nicht getrieben, aber die Welle kann sich mit eigener Insistenz oder Gewichtinsistenz drehen.
Dieses Ventil benötigt man am meisten in den Applikationen, wo gewünscht ist, dass sich der Antrieb mit eigener Lastinsistenz anhält oder hat die Möglichkeit von eigener Drehantrieb - Öl Motor
Ventil "CLOSE CENTER" - In neutraler Position ist der Öl Motor gehemmt, so dass die Welle auch mit Lastinsistenz nicht gedreht werden kann.
Dieses Ventil benötigt man in den Applikationen, wo gewünscht ist, dass sich der Antrieb ab sofort anhält und nach der Öl Motor Ausschaltung auch stillsteht.







