Neue Artikel
ZAPFWELLENADAPTER MIT FLANSCH 6 LÖCHER 1-3/8 (90 mm)
Artikel Nummer
100057
OEM:
9990000017409
Steuersatz
22 %
Preis exklusive Mehrwertsteuer:
24,59 EUR
Preis inklusive Mehrwertsteuer:
30,00 EUR
Ref:
14
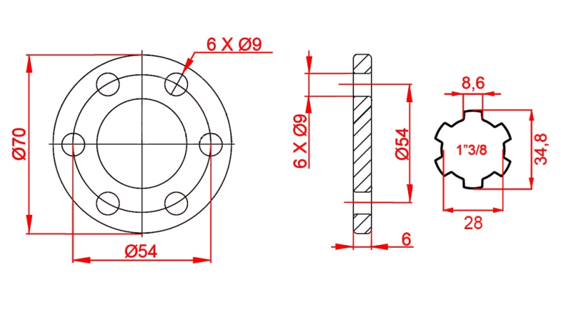
| ARTIKEL | AUSSENPROFIL | FLANSCH Ø (mm) | GESAMTLÄNGE (mm) |
| 100057 | 1" 3/8 | 70 | 90 |
BESCHREIBUNG
Zapfwellen-Verzahnungswellen mit Flansch sind für eine zuverlässige Kraftübertragung zwischen der Traktor-Zapfwelle und Anbaugeräten konzipiert, bei denen eine Flanschbefestigung erforderlich ist. Sie werden verwendet, um Drehmoment auf verschiedene landwirtschaftliche Maschinen zu übertragen, wobei das Verzahnungsprofil (Anzahl der Zähne) eine präzise Passform und einen sicheren Betrieb ohne Schlupf gewährleistet. Die robuste Konstruktion sorgt für eine lange Lebensdauer und zuverlässige Leistung auch unter hohen Belastungen, wodurch sie eine ideale Lösung für professionelle landwirtschaftliche Anwendungen darstellen.






