Nauji produktai
HIDRAULINIS VOŽTUVAS P81-RS AUTOMATINIS SKALDYMO - DVIEM GREIČIAIS
Produkto kodas:
10707
OEM:
9990000006281
Mokesčių tarifas
22 %
Kaina be PVM:
81,97 EUR
Kaina su PVM:
100,00 EUR
Ref:
180
| Techninė informacija | |
| Tiekėjas: | Bulgarija |
| Grąžinimas arba keitimas: | 14 dienų |
| Garantija: | 6 mėnesiai |
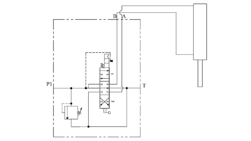
| Nominalus alyvos srautas: | 80 l/min |
| Veleno impulsas: | ± 7,9 mm |
| Darbinė temperatūros riba: | nuo −40 °C iki +60 °C |
| Jungties sriegis: | P ir T lizdas – 3/4", A ir B lizdas – 1/2" |
| Maks. slėgis: | P lizdas – 250 bar, T lizdas – 50 bar, A ir B lizdas – 300 bar |
| Saugos vožtuvas: | gamyklinis nustatymas 150 bar |
Aprašymas
P81-RS yra kompaktiškas ir patvarus dviejų greičių hidraulinis vožtuvas, skirtas malkų skaldytuvams. Jis leidžia srautą iki 80 l/min ir yra aprūpintas saugos slėgio nuspaudimo vožtuvu.
Vožtuvas turi automatinio slėgio atleidimo funkciją. Pasiekus nustatytą slėgį (gamyklinis nustatymas – 150 bar), mechanizmas automatiškai grąžina svirtį į neutralų padėtį.













