Novi artikli
KOTNI REDUKTOR L-150J 1:1,14 (16HP-12kW)
Šifra:
100166
OEM:
9990000026814
Stopnja davka
22 %
Cena brez DDV:
77,87 EUR
Cena z DDV:
95,00 EUR
Ref:
0
Opis:
Kotni reduktorji so zasnovani za učinkov prenos moči med pravokotno postavljenima gredema. Zaradi kompaktne zasnove in robustne konstrukcije so primerni za uporabo v kmetijski, industrijski in transportni mehanizaciji, kjer je prostor omejen ali je potreben natančen prenos navora. Zobniki so precizno obdelani in mazani z oljem, kar omogoča tiho in zanesljivo delovanje tudi pri visokih obremenitvah.

Dobaviteljeva koda:
9.150.800.30
Dobavitelj:
Poljska
Vračilo ali menjava:
14 dni
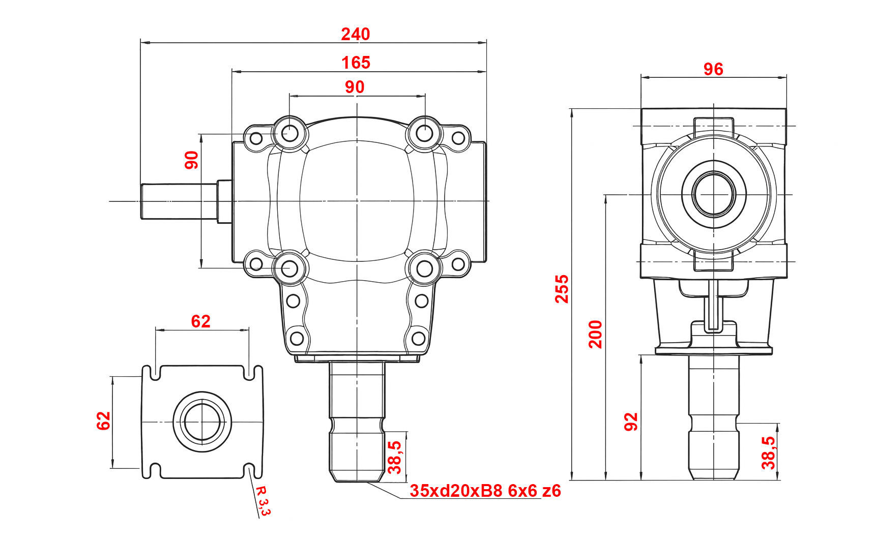
max. navor:
197 Nm
rotacija reduktorja:
desni
Ohišje:
Aluminij
Teža izdelka:
4,20 kg
Obremenitev:
16 HP (12 kW)
izhodna osovina:
gred - 25 mm
Razmerje prenosa:
1:1,14
tip reduktorja:
L-150J (kotni prenos)
mazalno sredstvo:
mast - GADUS S2V220 00 (0,2 kg je že v reduktorju)
vhodna osovina:
kardanska osovina (1” 3/8 – 6 zob)


.jpg)
.jpg)
-nova.jpg)
_.jpg)
.jpg)


