Nuovi Prodotti
VALVOLA IDRAULICA HIAB 8xPC70 + 2X EURO JOYSTICK 3 POZ
Codice articolo:
20210
OEM:
9990000086542
Aliquota fiscale
22 %
Prezzo senza IVA:
942,62 EUR
Prezzo IVA inclusa:
1.150,00 EUR
Ref:
5
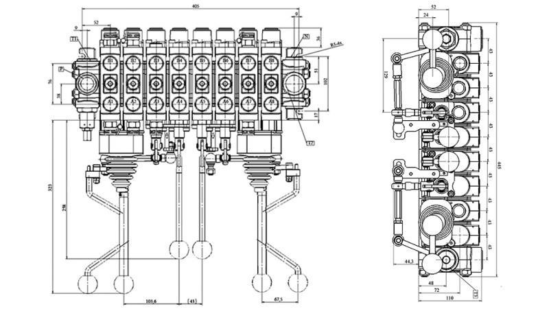
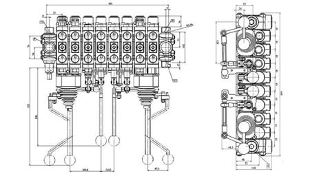
| Informazioni tecniche | |
| Fornitore: | Bulgaria |
| Reso o cambio: | 14 giorni |
| Garanzia: | 6 mesi |
| Portata nominale dell'olio: | 70 l/min |
| Portata massima dell'olio: | 80 l/min |
| Intervallo di temperatura di esercizio: | da -20 °C a +60 °C |
| Filettatura di collegamento: | Porta A, B e P 1/2", porta T - 3/4" |
| Pressione massima: | Porta P – 250 bar, porta T - 50 bar, porte A e B – 300 bar |
| Peso: | 33,5 kg |
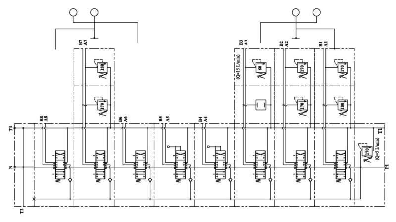
Descrizione
Il PC70 è una valvola impilabile (sezionale) progettata per l'uso su rimorchi forestali con gru (HIAB). Consente il controllo meccanico solamente. La valvola idraulica è composta da otto sezioni.














