Új termékek
HIDRAULIKUS SZÍVATTYÚ SEGÉDHAJTÁS - MAN
Kód:
12883
OEM:
9990000081165
Adó mértéke
22 %
Ár áfa nélkül:
55.211,06 HUF
Ár áfával:
67.357,49 HUF
Ref:
1
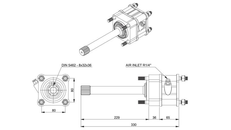
LEIRÁS:
A kimenetek olyan teherautók számára alkalmasak, ahol hidraulikus szivattyút kell telepíteni. Lehetőség van egy öntöttvas szivattyú típus telepítésére:
ISO (rögzítőszivattyú három (3) csavarral)
UNI (rögzítőszivattyú négy (4) csavarral)
Alkalmas sebességváltók típusához:
ZF AS TRONIC - 16AS 251 / 16S 251 + PLATE 12AS 1631 / 16AS 1931 / 12AS 2131 / 12AS 2141 / 12AS 2300 IT / 12AS
2301 IT / 12AS 2331 / 12AS 2341 / 12AS 2501 IT / 12AS 2531 / 12AS 2541 / 12AS 2741 / 12AS 2941 / 12AS 3001 IT /
12AS 3002 IT / 12AS 3141/ 16AS2231 / 16AS 2600 IT / 16AS2601 IT / 16AS2631 IT INTERDAR
Járművekhez:
TG - A 18,46OA - 19,430 MAN EUROPE 6x4 / 3300 DAF - 85,330 CF DAF / 14,463 MAN / IVECO 480
STRALIS / 39,390 MAN TGA
Szállító:
Törökország
Típus:
UNI (4 csavar)
Visszatérés vagy csere:
14 nap
tervezett felhasználás:
479.7 Nm
vezérlés:
pneumatikus
Forgások:
513 rpm
Termék súlya:
7 kg
Garancia:
6 hónap
szerelés:
hátsó
sűrűség:
34.5 Hp (25.7 kW)
kötélhúzási sebesség:
/






