Új termékek
HIDRAULIKUS SZÍVATTYÚ SEGÉDHAJTÁS - ISUZU HINO MEHANIC
Kód:
12893
OEM:
9990000081264
Adó mértéke
22 %
Ár áfa nélkül:
96.257,50 HUF
Ár áfával:
117.434,15 HUF
Ref:
1
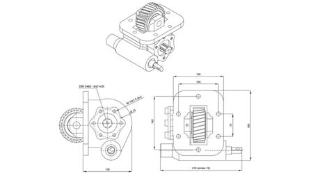
Leírás:
A meghajtók alkalmasak olyan teherautókhoz, ahol hidraulikus szivattyú telepítése szükséges. Lehetőség van öntöttvas szivattyú telepítésére az alábbi típusokban:
ISO (szivattyú három (3) csavaros rögzítéshez)
UNI (szivattyú négy (4) csavaros rögzítéshez)
Alkalmas a következő típusú sebességváltókhoz:
33111-2065 / 08 V 0484 / 07 L 108 / LE 05 S / LH 06 S
Alkalmas járművek: Isuzu
HINO L 100 / FB 112 SA 11 YO563
Szállító:
Törökország
Típus:
ISO (3 csavar)
Visszatérés vagy csere:
14 nap
tervezett felhasználás:
182.4 Nm
vezérlés:
mechanikai
Forgások:
600 rpm
Termék súlya:
11 kg
Garancia:
6 hónap
szerelés:
bal
sűrűség:
15.4 Hp (11.5 kW)
kötélhúzási sebesség:
1:1.28






