Novi artikli
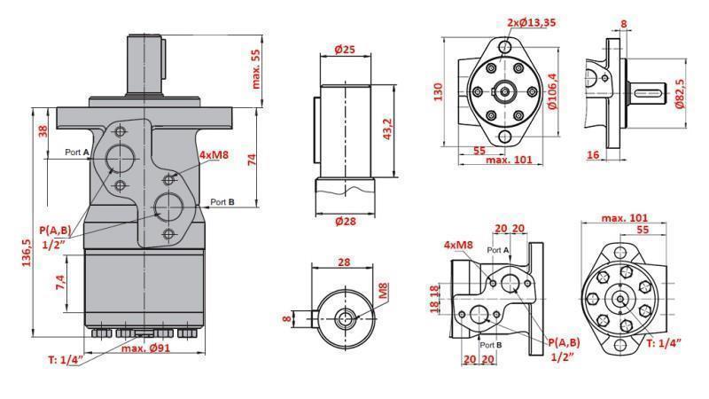
HIDROMOTOR MP 40

Opis
Hidromotorji tipa MP so zanesljivi in kompaktni, namenjeni uporabi v različnih hidravličnih sistemih, kjer je potrebna visoka učinkovitost in dolga življenjska doba. Odlikujejo jih robustna konstrukcija, natančna izdelava in odlična odpornost na obremenitve.
Primerni so za uporabo v kmetijskih, gozdarskih in industrijskih strojih, kjer zagotavljajo zanesljiv prenos moči in enakomeren navor pri različnih hitrostih vrtenja.
Glavne prednosti:
- visoka učinkovitost in natančnost delovanja
- robustna konstrukcija in dolgo življenjsko obdobje
- primerni za zahtevne pogoje dela
- široka izbira velikosti
Uporaba: hidravlični vitli, cepilci za drva, transportni trakovi, kot pogon za kmetijske in gozdarske priključke.

| L | L1 | |
| (mm) | ||
| MP 40 | 136,5 | 7,4 |
| MP 50 | 135,5 | 6,67 |
| MP 80 | 139,5 | 10,67 |
| MP 100 | 142 | 13,33 |
| MP 125 | 145,5 | 16,67 |
| MP 160 | 150 | 21,33 |
| MP 200 | 155,5 | 26,67 |
| MP 250 | 162 | 33,33 |
| MP 315 | 171,5 | 42,67 |
| MP 400 | 182 | 53,33 |












