Novi artikli
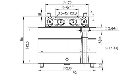
HIDRAVLIČNI ROTATOR CPR5-01 10000/5000 KG

Opis:
"HIDRAVLIČNI ROTATOR CPR5-01 10000/5000 KG"
Hidravlični rotator za gozdarske klešče je ključna komponenta, ki se uporablja za izboljšanje učinkovitosti in prilagodljivosti pri ravnanju s težkimi bremeni, kot so hlodi, veje in drugi materiali. Ta rotator je običajno zasnovan za pritrditev na konec teleskopske roke oziroma na vrh klešč, kar omogoča neodvisno vrtenje in natančno manipulacijo ter pozicioniranje bremen.
Hidravlično delovanje: Rotator poganja hidravlika, ki omogoča enostavno in nadzorovano vrtenje klešč. Hidravlični sistem omogoča natančen nadzor nad hitrostjo in smerjo vrtenja.
Neomejena rotacija: Eno glavnih značilnosti rotatorja za klešče je rotacija za polnih 360 stopinj. To pomeni, da se lahko vrti v katero koli smer, kar olajša dvigovanje, pozicioniranje in razkladanje materialov v različnih položajih.
Visoka statična in dinamična nosilnost: Rotatorji je zasnovan za obvladovanje težkih bremen, kot so veliki hlodi ali več hlodov hkrati.
Robustna konstrukcija: Glede na zahtevne pogoje delovanja gozdarske opreme je zasnova rotatorja zelo robustna za čim daljšo življenjsko dobo.
Namen: Hidravlični rotator za klešče je ključna komponenta sodobne gozdarske opreme, ki izboljšuje učinkovitost, varnost in prilagodljivost pri lesnem spravilu in ravnanju z lesom. Pri izbiri hidravličnega rotatorja je pomembno upoštevati specifične potrebe operacije in zagotoviti združljivost z obstoječo opremo.









