Uudet tuotteet
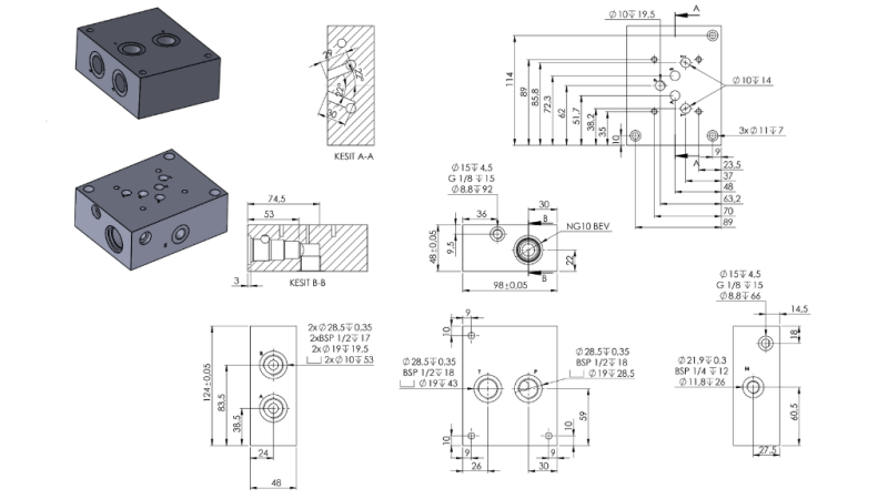
CETOP ALUSTA NG10-1-RV
| Tekniset tiedot | |
|
Toimittaja: |
Turkki |
|
Palautus tai vaihto: |
14 päivää |
|
Takuu: |
6 kuukautta |
|
Tyyppi: |
NG10-1-RV |
|
Materiaali: |
Alumiini |
|
Paine: |
max. 250 bar |
|
Virtaus: |
max. 80 l/min |
Kuvaus
CETOP NG10-1 aluslevy on standardoitu kiinnityslevy, joka on suunniteltu hydraulisten venttiilien koko NG10 (CETOP 5) asennukseen ISO 4401-05 standardin mukaisesti. Se mahdollistaa venttiilin yksinkertaisen, nopean ja luotettavan liittämisen hydraulijärjestelmään.
CETOP NG10-RV aluslevy on parannettu versio standardista NG10 (CETOP 5 / ISO 4401-05) aluslevystä, ja siinä on integroitu paineenpoistoventtiili. Se on suunniteltu suojaamaan hydraulijärjestelmää liialliselta paineelta ja varmistamaan turvallinen ja luotettava toiminta.
Integroitu paineenpoistoventtiili mahdollistaa paineen rajoittamisen suoraan aluslevyssä, mikä vähentää lisäkomponenttien tarvetta, yksinkertaistaa asennusta ja tarjoaa kompaktimman järjestelmäratkaisun.
Mitat









