Neue Artikel
SPERRBLOCKVENTIL VBPDE 3/8 - 35 lit MIT RÖHREN
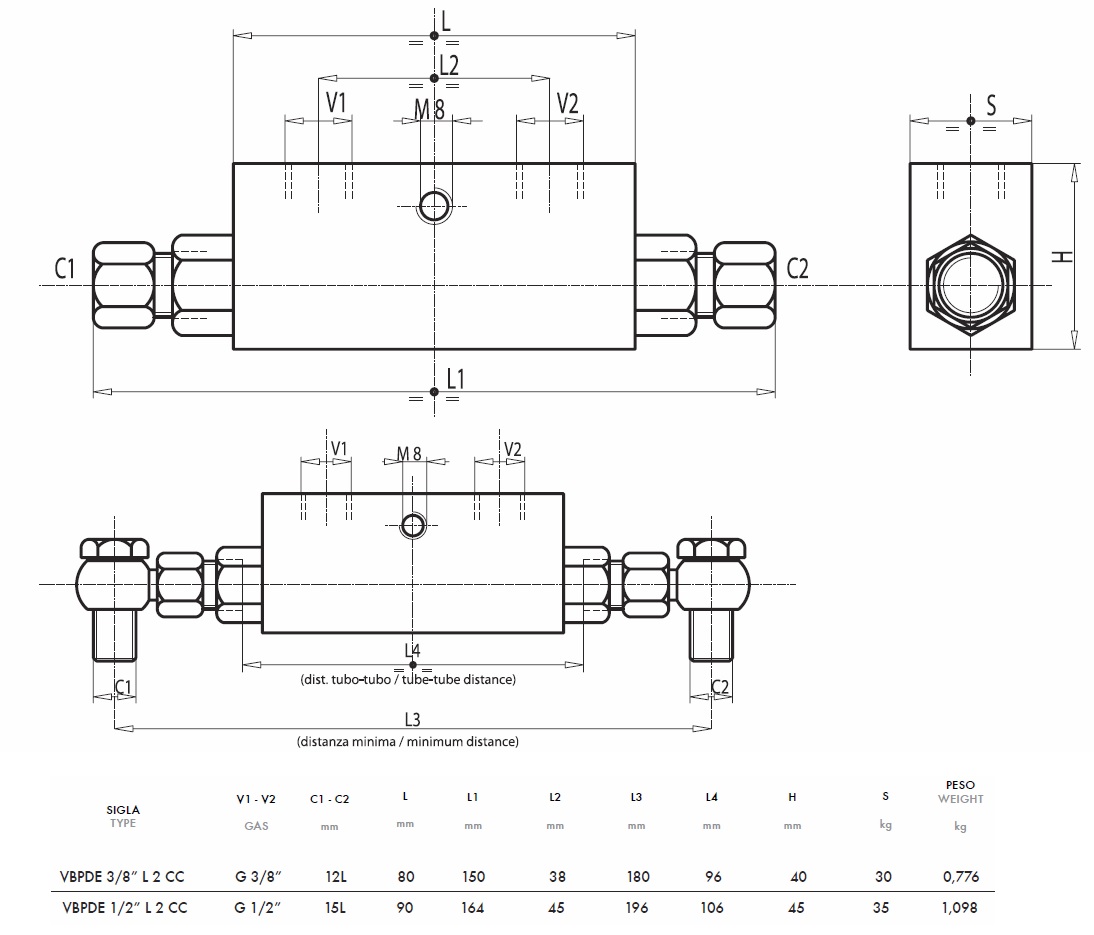
Rückschlagventil / Sperrblockventil
Dient für Sicherheit (im Schadenfall von Schlauchen bleibt der Zylinder in derselben Position). Sperrblockventil dient ebenso dafür, damit der Schlauch nicht unter Druck ist und verschiedene Kräfte am Zylinder nicht das Ventil oder Hydrauliksystem belasten.
Verwendung:
Sperrblockventil verwendet man zum Absperren von Zylinder in beiden Betrieb Richtungen. Durchfluss löst sich in der eine Richtung und blockiert in die zweite Richtung, so lange wir in die zweite Richtung das Steuerdruck nicht verwenden. Es funktioniert auch umgekehrt. Sperrblockventile kann man einfach aufs Zylinder montieren.
Metallröhre:
Dienen zu Montage auf den Zylinder. Dabei bleibt die Kürzeste fix und die Längere schneidet man ab nach der Maß. Man kann so ein Sperrblockventil mit Röhren nicht auf den Zylinder mit kürzerem Hub als 150 mm montieren.
Material:
Eisen - verzinkt
Ventilinnere ist aus Hartmetallteilen
Verdichtungen: BUNA N Standard
Anschließen:
Schließen sie die Hydraulikleitung an V1 und V2 an. Schließen sie C1 und C2 an den Aktuator (Hydraulikzylinder) an.









