Neue Artikel
ÜBERSETZUNGSGETRIEBE GR.2 -1:3 MUFFE - WEIBLICH
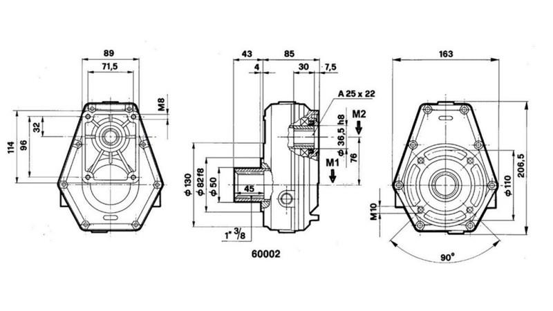
| Technische Informationen | |
| Lieferant: | Italien |
| Rückgabe oder Umtausch: | 14 Tage |
| Garantie: | 6 Monate |
| Übersetzungsverhältnis: | 1:3 |
| Für Hydraulikpumpen: | GR. 2 |
| Anschluss: | Zapfwellenwelle – 1" 3/8 – 6 Nut (Innen) |
| Eingangsdrehzahl: | 540 U/min |
| Eingangsdrehmoment: | 18 daNm |
| Ausgangsdrehzahl: | 1680 U/min (max. 3000 U/min) |
| Ausgangsdrehmoment: | 5,5 daNm |
| Last: | bis zu 10 kW |
| Produktgewicht: | 4,6 kg |
| Getriebeöl: | SAE 80W-90 Öl |
GEBRAUCHSANWEISUNG
1. Verwendungszweck
Das Getriebe ist eine mechanische Übertragung, die die Drehzahl der Abtriebswelle erhöht und den Betrieb einer hydraulischen Zahnradpumpe über die Zapfwelle des Traktors ermöglicht.
Es wird verwendet zur Antrieb von:
- hydraulischen Aggregate,
- Forstwinden,
- Holzspaltern,
- anderen hydraulischen Geräten.
2. Einbauposition
Das Getriebe muss in der richtigen Betriebsposition eingebaut werden, um eine ordnungsgemäße Schmierung der Zahnräder zu gewährleisten. Eine horizontale Montage wird empfohlen, daher sollten Pumpe und Getriebe horizontal ausgerichtet sein.
Wichtig:
- Das Getriebe muss immer so eingebaut werden, dass das Öl im Gehäuse mit der Zahnradübersetzung in Kontakt ist,
- ein Dauerbetrieb in umgekehrter Position ist nicht erlaubt,
- das Getriebe muss mechanisch abgestützt werden (es darf nicht nur an der Zapfwelle hängen).
3. Drehrichtung
Vor dem Einbau die Drehrichtung der Zapfwelle und die erforderliche Drehrichtung der Hydraulikpumpe überprüfen.
Eine falsche Drehrichtung kann Pumpenschäden, Dichtungsversagen und schlechten Ölfluss verursachen.
4. Ölschmierung
Das Getriebe muss im Inneren des Gehäuses kontinuierlich mit Öl geschmiert werden, um einen ordnungsgemäßen Betrieb der Zahnräder sicherzustellen. Das empfohlene Schmiermittel ist Getriebeöl SAE 90.
Das Getriebe muss bis zur Kontrollmarke mit Öl gefüllt sein.
Vor der ersten Inbetriebnahme den Einfüllstopfen entfernen, die Einheit bis zur Pegelmarke mit Öl füllen und den Stopfen wieder schließen.
Vor jedem Gebrauch den Ölstand überprüfen. Der erste Ölwechsel wird nach 50 Betriebsstunden empfohlen, danach alle 1500 Betriebsstunden oder einmal jährlich.
5. Betriebstemperatur
Die normale Betriebstemperatur des Getriebegehäuses liegt zwischen 50 und 80 °C. Überschreitet sie 90 °C, überprüfen Sie den Ölstand, die Last und die Ausrichtung.
6. Wartung und mögliche Probleme
| Problem | Mögliche Ursache | Lösung |
| Überhitzung | Unzureichender Ölstand | Ölstand prüfen |
| Geräusche | Verschlissene Lager | Wartung |
| Vibrationen | Falsche Ausrichtung | Installation überprüfen |
| Ölleckage | Beschädigte Dichtung | Dichtung ersetzen |








